SDAPO深圳达普致力于研发,生产,销售POE产品一条龙服务。自有贴片机产线,能更好的把控产品交期和质量。

搭配使用的DP6100,PSE模块
DESCRIPTION
48V Boost Converter Module (Isolation Type)
FEATURES
l §Small SIL package
l ØSuitable for IEEE802.3af/at compliant PSEs
l Ø Industrial Temperature
l Ø High efficiency (>92%)
l Ø Input voltage range 10V to 15V
l Ø Minimal external components required
l Ø Short-circuit and Thermal protection
l Ø Adjustable Output (36V to 57V)
l Ø 1500V isolation (input to output)
l Sdapo “design-in” assistance
The DP7200 module is a low noise DC/DC boost converter, designed to generate the higher voltages required for IEEE802.3 PSE applications from lower voltage supplies. This module provides exceptional efficiency (>92%) while providing full compatibility with the IEEE 802.3af/at power and isolation requirements.
The module accepts a wide DC voltage input range, from 10V to 15V. The input voltage is then boosted to generate the higher voltages required to power any IEEE802.3af/at PSE circuits (including those supplied by Sdapo). The DP7200 provides a regulated adjustable output, of between 36V and 57V.
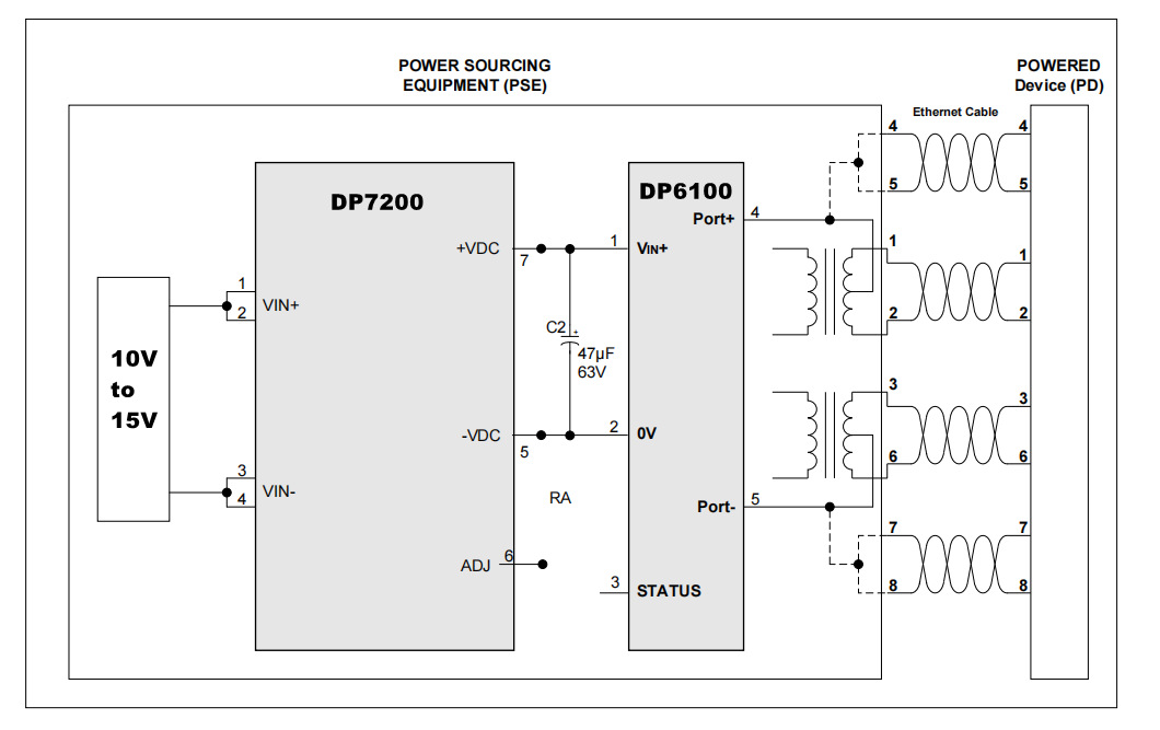
DP7200 has been designed to provide an ideal solution for powering the Sdapo DP6100 PSE module from a vehicle battery, 12V plug-top PSU or other commonly available power supplies. Its low cost, small footprint, high efficiency and in-built isolation make it an extremely versatile DC-DC boost converter for a wide range of potential applications.
Product Overview
1.1 DP7200 Product Selector
|
Part Number |
Output Voltage |
Maximum Output Power * |
|
DP7200 |
36V to 57V |
30 Watts |
*At 25°C with VIN = 12V
Table 1: Ordering Information

Figure 1: Block Diagram

Figure 2: DP7200 Package Format
1.2 Pin Description
|
Pin # |
Name |
Description |
|
1 |
VIN+
|
Direct Input +. These pins connect to the positive (+) output of the power supply. |
|
2 | ||
|
3 |
VIN -
|
Direct Input -. These pins connect to the negative (-) output of the power supply. |
|
4 | ||
|
5 |
-VDC |
DC Return. This pin is the return path for the +VDC output. |
|
6 |
ADJ |
Output Adjust. The output voltage can be adjusted up or down from its nominal value of 48V. This can be done by connecting an external resistor from this pin to the – VDC or +VDC pins.
|
|
7 |
+VDC |
DC Output. This pin provides the regulated output from the DC/DC converter. |
Table 2: Pin Description
2 Functional Description
2.1 Typical Connections
The DP7200 has a wide input voltage range of 10Vdc to 15Vdc; as shown in Figure 3.
Depending on the length of lead and decoupling of the power supply being used the
customer may need to connect an electrolytic capacitor across the Ag7200 input which will reduce the ripple from the supply.

Figure 3: Typical Connection Diagram
2.2 Output Voltage Adjustment
The DP7200 series has an OADJ pin, which allows the output voltage to be increased or decreased.
Figure 4 shows how the ADJ pin is connected.

Figure 4: Output Adjustment
|
Reducing the output voltage, connect R between ADJ and +VDC | |
|
Value of R |
DP7200 Output |
|
TBD |
36V |
|
Increasing the output voltage, connect R between ADJ and -VDC | |
|
Value of R |
DP7200 Output |
|
0 Ohms |
57V |
Table 3: Output Adjustment Resistor (R) Value
2.3Typical Connections
The DP7200 requires minimal external components as shown in Figure 5.

Figure 5: Typical Connection Diagram
3 Electrical Characteristics
3.1Absolute Maximum Ratings
|
|
Parameter |
Symbol |
Min |
Max |
Units |
|
1 |
DC Supply Voltage |
VCC |
10 |
15.5 |
V |
|
2 |
Surge Voltage at Output (for 1ms) |
VSURGE |
-0.6 |
80 |
V |
|
3 |
Storage Temperature |
TS |
-40 |
+100 |
˚C |
3.2 Recommended Operating Conditions
|
|
Parameter |
Min |
Typ |
Max |
Units |
|
1 |
Input Supply Voltage |
10 |
12 |
15 |
V |
|
2 |
Operating Temperature |
-40 |
25 |
85 |
℃ |
3.3 DC Electrical Characteristics
|
|
DC Characteristic |
Sym |
Min |
Typ1 |
Max |
Units |
|
1 |
Nominal Output Voltage |
+VDC |
46.8 |
48 |
49.2 |
V |
|
2 |
Peak Output Power |
ILOAD |
|
|
30 |
W |
|
3 |
Line Regulation |
VLINE |
|
0.03 |
|
% |
|
4 |
Load Regulation – Min to Max |
VLOAD |
|
0.1 |
|
% |
|
5 |
Output Ripple and Noise 2 |
VRN |
|
200 |
|
mVp-p |
|
6 |
Peak Efficiency |
EFF |
|
92 |
|
% |
|
7 |
Short-Circuit Duration |
TSC |
|
|
∞ |
sec |
|
8 |
Isolation Voltage (I/O) - Impulse Test |
VISO |
|
|
1500 |
VPK |
Note 1: Typical figures are at 25°C with a nominal 48V supply and are for design aid only. Not Guaranteed
Note 2:See Figure 3
4 Package

