SDAPO深圳达普致力于研发,生产,销售POE产品一条龙服务。自有贴片机产线,能更好的把控产品交期和质量。


一、产品特性:
1、规范:完全符合IEEE802.3af/at标准,class 0分级
2、安全:具有输入过压/欠压、输出短路、过流、芯片过温保护功能
3、尺寸:14X35.6mm,专为嵌结构设计
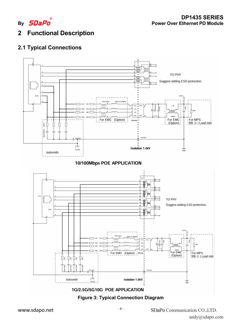
4、兼容性:支持中间跨接法和末端跨接法
5、1500V高压隔离(输入对输出);
6、宽温工作:-25°到75°稳定工作
7、无电容版本,纹波低,寿命超长,性能好,超薄型总高度仅12.25mm
接口定义:
ELECTRICAL SPECIFICATIONS

